W-36PW
Cat:Pryskyřičný dopravník kol
Typ Velikost válce D*w*d*b Hřídel Velikost rámu ...
Pokročilá struktura, vysoce kvalitní výkon, snadno použitelná, vysoká spolehlivost a trvanlivost.

Typ Velikost válce D*w*d*b Hřídel Velikost rámu ...
| Typ | Velikost válce D*w*d*b | Hřídel | Velikost rámu H × W1 × W2 × W3 × T. | Výška H | Lengeh L | Stritch kol P | Načítání jednoho kola (KG) | Válečkový materiál |
| W-36PW | 36 × 9 × 8 × 14 | M8 × 55L | 46,3 × 60 × 33 × 71 × 1.6 2.3 | 52.3 | 1800 · 2400 · 3000 | 50 · 75 · 100 · 150 | 10 | POM |
| W-45UW | 45 × 16 × 8 × 22 | M8 × 65L | 46,3 × 60 × 33 × 87 × 1.6 2.3 | 56.8 | 1800 · 2400 · 3000 | 50 · 75 · 100 · 150 | 25 | ABS |

Typ Velikost válce D*w*d*b Hřídel Velikost rámu ...
| Typ | Velikost válce D*w*d*b | Hřídel | Velikost rámu H × W1 × W2 × W3 × T. | Výška H | Lengeh L | Stritch kol P | Načítání jednoho kola (KG) | Válečkový materiál |
| W-45UW | 45 × 16 × 8 × 22 | M8 × 65L | 46,3 × 60 × 33 × 87 × 1.6 2.3 | 56.8 | 1800 · 2400 · 3000 | 50 · 75 · 100 · 150 | 25 | ABS |

Střední stojan na případy je vhodný pro ukládání mnoha rozmanitosti a málo množství zboží. Střední stojan ...
Střední stojan na případy je vhodný pro ukládání mnoha rozmanitosti a málo množství zboží.
Střední stojan na pouzdro je vhodný pro skladování zboží velikosti pinů, krabicového zboží nebo speciálního zboží, které je menší než 500 kg.
| Typ | Velikost příhradového nosu | Max načítání | H | W | Efektivní šířka | Šířka jádra | Hloubka | |
| 1 načítání vrstvy (kg) | Max načítání (kg) | |||||||
| L | | 150 | 1000 | 1200 | 900 | 850 | 955 | 300 450 600 |
| 1200 | 1150 | 1255 | ||||||
| 1500 | 1450 | 1555 | ||||||
| 1800 | 1750 | 1855 | ||||||
| M | 300 | 1500 | 1500 | 900 | 850 | 955 | 450 600 750 900 | |
| 1200 | 1150 | 1255 | ||||||
| 1800 | 1500 | 1450 | 1555 | |||||
| 1800 | 1750 | 1855 | ||||||
| H | 500 | 2500 | 2100 | 900 | 850 | 955 | ||
| 2400 | 1200 | 1150 | 1255 | |||||
| 1500 | 1450 | 1555 | ||||||
| 1800 | 1750 | 1855 | ||||||
List nakládací kapacity
Max načítání (kg)
| Typ | Truss L1*L2*t | Max načítání (kg) | ||||
| 4 vrstvy | 5,6 vrstvy | |||||
| A | 25*25*1,5 | 300 | 400 | |||
| B | 32*32*1,5 | 450 | 600 | |||
| C | 38*38*1,8 | 600 | 800 | |||
Max načítání (kg)
| Hloubka/délka | 900 (mm) | 1200 (mm) | 1500 (mm) | 1800 (mm) | |||
| 300 (mm) | 100 | - | - | - | |||
| 450 (mm) | 150 | 150 | 100 | 60 | |||
| 600 (MM) | 200 | 200 | 150 | 100 | |||

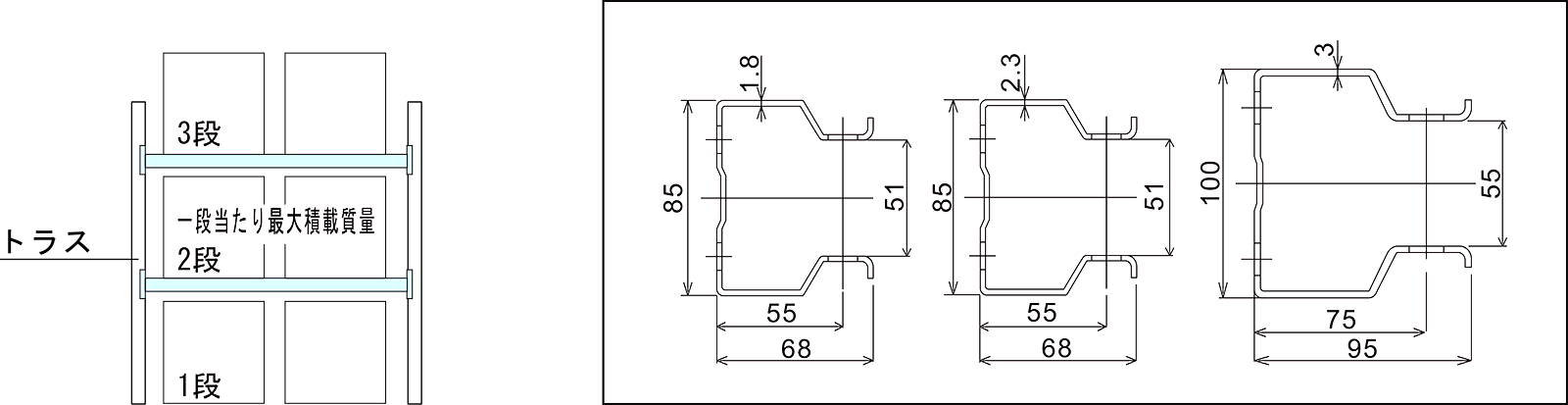
Volba · Existují tři typy tohoto těžkého stojanu: L, M, H ...
Volba
| · Existují tři typy tohoto těžkého stojanu: L, M, H
· Maximální nakládací kapacita je v závislosti na výšce a vrstvách, viz načítání listu.
· Podmínka uvolňování nakládky je betonová půda a stojan by měl být upevněn rozšiřitelným šroubem. | |
| Typ | Výška (mm) | Šířka (mm) | Hloubka (mm) |
| L typ (lehká hmotnost) | 2000 2500 3000 3500 4000 4500 5000 5500 6000 7000 8000 | 2000 2300 2500 2700 3000 3200 | 600 800 900 1000 1100 1200 |
| Typ m (hmotnost středového | |||
| H typ (těžká váha) |
Max načítání příhradového nosu
| Max načítání každé vrstvy (kg) | |||||||||||
| Vrstvy/Truss/výška (mm) | 2 vrstva | 3 vrstva | 4 vrstva | 5 vrstvy | |||||||
| L | M | L | M | H | L | M | H | L | M | H | |
| 2000 | 4440 | 5470 | 3140 | 3870 | 5190 | 2360 | 2900 | 3890 | 1880 | 2320 | 3110 |
| 2500 | 4020 | 4960 | 3130 | 3860 | 5190 | 2360 | 2900 | 3890 | 1880 | 2320 | 3110 |
| 3000 | 3670 | 4540 | 2920 | 3600 | 5120 | 2360 | 2900 | 3890 | 1880 | 2320 | 3110 |
| 3500 | 3380 | 4180 | 2730 | 3370 | 4830 | 2290 | 2820 | 3890 | 1880 | 2320 | 3110 |
| 4000 | 3130 | 3870 | 2560 | 3170 | 4560 | 2170 | 2680 | 3820 | 1880 | 2320 | 3110 |
| 4500 | 2920 | 3610 | 2420 | 2990 | 4330 | 2070 | 2550 | 3650 | 1800 | 2220 | 3110 |
| 5000 | 2730 | 3380 | 2290 | 2830 | 4120 | 1970 | 2430 | 3500 | 1730 | 2130 | 3040 |
| 5500 | 2570 | 3180 | 2170 | 2690 | 3920 | 1880 | 2330 | 3360 | 1660 | 2050 | 2940 |
| 6000 | 2420 | 3000 | 2070 | 2560 | 3750 | 1800 | 2230 | 3230 | 1600 | 1970 | 2840 |
| 7000 | 2180 | 2690 | 1880 | 2330 | 3440 | 1660 | 2060 | 3000 | 1490 | 1840 | 2660 |
| 8000 | 1960 | 2440 | 1730 | 2140 | 3180 | 1540 | 1910 | 2800 | 1390 | 1720 | 2500 |
Standard of žádný zemětřesení Nation: K = 0,03 (koeficient třepání úrovně)
Maximální načítání paprsku
| Max načítání každé vrstvy (kg) | |||||||
| Výška šířky/paprsku | 2000 | 2300 | 2500 | 2700 | 3000 | 3200 | |
| 80 | 1777 | 1344 | 1137 | - | - | - | |
| 100 | 2560 | 2226 | 1917 | 1644 | 1331 | 1170 | |
| 110 | 2918 | 2538 | 2335 | 2055 | 1665 | 1463 | |
| 120 | 3277 | 2849 | 2621 | 2427 | 2042 | 1794 | |
| 140 | 4045 | 3517 | 3236 | 2996 | 2697 | 2528 | |
| 160 | - | 4998 | 4598 | 4257 | 3831 | 3592 | |
Různé průvodce lze nainstalovat podle odpovídajících vysokozdvižných vozíků, které mohou snížit šířku projíždějící uličky a využít prostor.

[Typ kolejnice] Železnici lze rozhodnout na základě Různ...
| [Typ kolejnice] Železnici lze rozhodnout na základě Různé podmínky nastavení může způsobit různé pracovní podmínky | Dva typy železnice Opravená kolejnice použitá FPR Sigle-Side Provoz |
| Manget Bar bez kolejnice | |
Struktura
Základní specifikace
| Boční panel | Rychlost | Motor | Moc | Ovládání | Zabezpečené vybavení | |
| Železnice | 12t (typ 2 kol) 24T (typ 4 kol) | Max 10 m/min | Max 1,5 kW | Jednofázová Trinální fáze | Ovládáno sítí | Automatické uzamykatelné uličky Vstoupit do kontroly Světelná indikátorová lampa Nad ochranou načítání |
| 16t (typ 2 kol) 32T (typ 4 kol) | ||||||
| Non-rail | 8t (typ 2 kol) 16t (typ 4 kol) |

Přijměte střední a těžkou uličku s vysokou frekvencí. Vhodné pro sekvenční...
| Přijměte střední a těžkou uličku s vysokou frekvencí. Vhodné pro sekvenční šikmý pohyblivý stojan s vysokou frekvencí.
| Stojan lze vybrat podle velikosti krabice a množstvím zboží. |
| Široce se používá v logistickém skladu nebo výrobní lince. | |
| Komor kola je vhodný pro připevnění nebo vypouštění stojanu. |
Schopnost
|
Snadná struktura Snadná instalace, rám a koncový kola lze nastavit na vhodné místo. Pro skladování velkého nebo malého množství zboží lze ukládat pro skladování velkého nebo malého množství zboží.
| |
|
Standardní koncový kola Roller of Iron Core: ф28 | |
|
Lmprovement pracovní účinnosti Snadné skladování zboží, pohodlné pro práci
|

Funkce FLFO Gravity Rack je založe...
|
Funkce FLFO Gravity Rack je založen na sklonu (4%) skluzavky a mrtvé hmotnosti zboží. Přímé válce gravitace se používají jako podpora sklouznutí dolů. Propustnost LTS je vysoká. Ukládání a načítání lze provádět současně, takže se zvyšuje rychlost toku zboží. Účely LT je vhodné pro skladování a načítání palet nebo velkého objemu, s méně druhy zboží. Každá posuvná stopa se používá pro ukládání a získávání co nejvíce o jednom druhu zboží. LT má široké použití v takových průmyslových odvětvích, jako jsou mechanické, chemické, elektronické, nápojové a potraviny atd.
| Brzdový válec |
Funkce
| Separátor palety |

Vhodné pro skladování pintových velikostí. Specifikace 1. Načítání každé vrstvy: max 1000 kg ...
Vhodné pro skladování pintových velikostí.
Specifikace
1. Načítání každé vrstvy: max 1000 kg
2. Maxlayers: 4lagery
3. rozměr: 1300 WX800L
4. Výšky: 500 mm
5. SkidProofDouble-Lock Framework
6. Fixace šroubů
7. Možnosti: ①lron Klapboard ②Four Layers
Charakteristický
Vhodné pro skladování těžkého zboží, pryskyřičné matrice, lisování kovové matrice a tak dále.
Vrstva palety s posuvnou paletou může být zvýšena a tažena.
Snadné pro pohyblivou práci.

Velikost a rozměry Model č. Dimenze (Lxwxh) (mm) WM-600...
Velikost a rozměry
| Model č. | Dimenze (Lxwxh) (mm) | |
| WM-600EF | 630x680x800 | |
| WM-800EF | 830x880x800 | |
| WM-1000EFS | 1030x1080x800 | |
| Poznámky: přizpůsobitelné podle | Zákazníci | |
Specifikace
| Schopnost: | Závisí na rozměrech balíků | |
| Rychlost zprostředkování: | 0 ~ 120 m/min (nastavitelné) | |
| Odklonění úhlu: | 30 ~ 90DEGREE | |
| Směr vypouštění: | Vpravo, vlevo a vpřed | |
| Provozní teplota: | -10 ~ 40DEGREE | |
| Moc: | Servo Motor 1,5 kW | |
| Možnosti rozhraní: | RS485/232, Ethernet, io | |
| Maximální načítání hmotnosti: | 70 kg/m2 | |
| Hluk: | Méně než 75db | |

Reciproční zvedák je zvedací zařízení, které pohybuje předměty nahoru a dolů pro vertikální přenos mezi různý...
Reciproční zvedák je zvedací zařízení, které pohybuje předměty nahoru a dolů pro vertikální přenos mezi různými výškami dopravníků. Mezi klíčové prvky patří přenos řetězu nebo synchronního pásu, poháněný převodovaným motorem nebo válcem, který řídí zvedací kočár v pohybu nahoru a dolů. Dopravce na výtahu automaticky přenášejí předměty do a ven z zvedáku.
| Typ | TSJ-C-200 TSJ-Z-200 | TSJ-C-500 TSJ-Z-500 | TSJ-C-1200 TSJ-Z-1200 | TSJ-C-2000 TSJ-Z-2000 |
| Řetěz | 12a (4 hole) | 16a (4 hole) | 20a (4 tyčinky) | 24a (4 hole) |
| Načíst (kg) | Max200 kg | Max500 kg | Max1200 kg | Max2000kg |
| zvedání H2 (mm) | 3000 ~ 9000 | 3000 ~ 15000 | 3000 ~ 15000 | 3000 ~ 15000 |
| Výška krmiva H1 (mm) | Min500 mm | Min500 mm | Min600 mm | Min600 mm |
| Hlavní sloupec | 80*4t čtvercová trubice | 100*4t čtvercová trubice | 120*6t čtvercová trubice | 140*6t čtvercová trubice |
| rovnováha hmotnosti | K dispozici není žádná protiváha | protiváha | protiváha | protiváha |
| Vertikální rychlost (M/min) | Max50 | Max50 | Max50 | Max50 |
| Konfigurace zabezpečení (volitelné) | Detekce rozbitého řetězce, brzdová svorka | |||
| Motor Moc_ (KW) | 2,2 ~ 15 kW | |||
| Power | AC380V (tři fáze) | |||

Typ D*w*d*b Načítání (kg) W-38TS 38x12x6.5x...
| Typ | D*w*d*b | Načítání (kg) |
| W-38TS | 38x12x6.5x25 | 20 |
| W-40SL | 40x20x6.5x26 | 20 |
| W-50ts | 49,2x15,5x8x25 | 40 |
| W-3850D | 38.1x50x12.2x63 | 130 |
| W-4850D | 48.6x50x12.2x63 | 200 |
| W-5750p | 57x50x12.2x55 | 60 |
| W-5750D | 57.2x50x12.2x63 | 200 |
| W-6050D | 60.5x50x12.2x6 | 200 |

Typ D*w*d*b Načítání (kg) W-1225BS 12x25x4....
| Typ | D*w*d*b | Načítání (kg) |
| W-1225BS | 12x25x4.1x27 | 35 |
| W-2015BS | 20x15x6.1x17 | 30 |
| W-2025BS | 20x25x6.2x27 | 40 |
| W-2050B | 20x50x6.2x52 | 50 |
| W-20100bs | 20x100x6.2x102 | 50 |
| W-25BS-13 | 25x9x6.2x13 | 30 |
| W-25BS | 25x9x6.2x16 | 30 |
| W-2523BS | 25x23x8.2x25 | 50 |
| W-30BS | 30x50x10,5x55 | 160 |
| W-32BS | 32x25x8.2x28 | 90 |
| W-36BW-6 | 36x9x6.2x14 | 40 |
| W-36BS | 36x9x6.2x25 | 40 |
| W-36BW | 36x9x8.2x14 | 40 |
| W-36CS | 36x9x8.2x28 | 40 |
| W-50B | 50x14,5x8.2x20 | 80 |
| W-50DS-8 | 50x14,5x8.2x32 | 100 |
| W-50DS-10 | 50x14,5x10.2x20 | 100 |
| W-50DS-12 | 50x14,5x12.2x20 | 100 |
| HW-76DS | 76.3x30x30x44 | 1000 |
Proč údržba válečkových dopravníků přímo ovlivňuje životnost systému Válečkový dopravník systémy jsou pát...
Přečtěte si víceCo dělá válečkový dopravník skutečně těžkým? Těžký válečkový dopravník není definován marketingovými tvrzeními, al...
Přečtěte si víceCo jsou válečkové dopravníky a proč na typu záleží? Válečkové dopravníky jsou systémy pro manipulaci s ma...
Přečtěte si víceProč válečkové dopravníky zůstávají páteří manipulace s materiálem Válečkové dopravníky zlepšit efektivit...
Přečtěte si víceDopravníkové systémy přesouvat miliony tun materiálu každý den přes továrny, sklady, těžební místa a distribučn...
Přečtěte si víceDělá Wuxi Huiqian Logistics Machinery Manufacturing Co., Ltd. Palivový dopravník Podporujte více kanálů pro zpracování různých typů palet současně?
V rychle se rozvíjejícím světě logistiky a manipulace s materiálem jsou efektivita a přizpůsobivost prvořadá. Podniky vyžadují systémy, které nejen vyhovují jejich okamžitým potřebám, ale také nabízejí škálovatelnost, spolehlivost a flexibilitu při řešení různých typů zboží a provozních požadavků. Jedním takovým řešením je Wuxi Huiqian Logistics Machinery Manufacturing Co., inovativní paletové dopravní systémy Ltd., navržené tak, aby zefektivnily pohyb materiálu napříč různými průmyslovými odvětvími. Otázkou však však zůstává: Mohou jejich paletové dopravníky podporovat více kanálů pro zpracování různých typů palet současně?
Všestrannost v designu: jádro efektivní logistiky
Srdcem produktové řady Wuxi Huiqian je jejich pokročilá Palivový dopravník System, pečlivě vytvořené řešení, které stojí jako svědectví o závazku společnosti smíchat japonskou technologii s špičkovými výrobními technikami. Tyto systémy jsou vytvořeny tak, aby nabízely bezkonkurenční přizpůsobivost ve vysoce poptádových prostředích. Ať už se jedná o těžkopádnou aplikaci nebo jemnější, lehčí nastavení, systém může být přizpůsoben pro zpracování palet různých velikostí, hmotností a typů.
Skutečná síla Wuxi Huiqian's linka dopravníku Systémy spočívají v jejich schopnosti pracovat s více kanály, což zajišťuje, že různé typy palet lze spravovat souběžně. Tato vícekanálová funkce je nezbytná pro sklady, výrobní zařízení a distribuční centra, kde operace často vyžadují současnou přepravu různých typů palet. Ať už se jedná o velké, objemné předměty nebo menší, křehčí zboží, dopravní systémy mohou být přizpůsobeny tak, aby splňovaly tyto jedinečné požadavky s výjimečnou účinností.
Přizpůsobení splňuje přesnost
Wuxi Huiqian je hrdý na to, že nabízí vysoce přizpůsobitelná dopravní řešení. Jejich zaměření na modulární design zajišťuje, že jejich systémy mohou být nakonfigurovány tak, aby vyhovovaly specifickým provozním potřebám, včetně současného zacházení s různými typy palet v různých jízdních pruzích. To je obzvláště výhodné v průmyslových odvětvích, jako je výroba automobilů, elektronika a distribuce potravin, kde změny v rozměrech palety a typech produktů mohou vytvářet složité logistické výzvy.
Kromě toho je závazek společnosti Wuxi Huiqian k kvalitě podtržen tím, že používají nejmodernější zařízení pro zpracování a přísné systémy řízení kvality. Každá složka, od válců po rámy, je vytvořena podle nejvyšších standardů, což zajišťuje nejen funkčnost, ale i dlouhodobou trvanlivost. Po integraci do vašich operací poskytují dopravní systémy plynulý tok materiálů, eliminují úzká místa a zlepšují účinnost propustnosti.
Pokročilá technologie pro řešení připravená na budoucnost
Jako vůdce v oblasti výroby logistických strojů se Wuxi Huiqian neustále inovuje a zajišťuje, aby jejich dopravní systémy byly dnes nejen spolehlivé, ale jsou připraveny se přizpůsobit požadavkům zítřejších dodavatelských řetězců. Použití pokročilých technologií, jako je automatizace a sledování v reálném čase, dále zvyšuje výkon jejich paletových dopravníků, což podnikům umožňuje sledovat a kontrolovat jejich materiální tok s přesností.
Pro společnosti, které hledají své operace, nabízejí řešení společnosti Wuxi Huiqian neocenitelnou výhodu. Jejich systémy lze snadno integrovat s jinými technologiemi automatizace, které nabízejí škálovatelnost a přizpůsobivost, která zajišťuje pokračující efektivitu, i když se vyvíjejí logistické požadavky.
Poprodejní podpora a přístup zaměřený na zákazníka
Klíčovým rozlišením pro Wuxi Huiqian je jejich odhodlání spokojenosti zákazníků. Kromě poskytování vysoce kvalitních produktů kladou významný důraz na službu po prodeji a poskytuje technickou podporu a odborné pokyny během životního cyklu svých systémů. Tento závazek zajišťuje, že každý zákazník obdrží plnou hodnotu ze své investice, s na míru na míru a trvalou podporu, aby zvládl i ty nejsložitější logistické požadavky.
Holistické řešení pro moderní logistiku
Závěrem lze říci, že společnost Wuxi Huiqian Logistics Machinery Manufacturing Co., Ltd. vyniká jako důvěryhodný partner v oblasti manipulace s materiálem, zejména pro průmyslová odvětví vyžadující pokročilé, přizpůsobitelné a efektivní paletové dopravní systémy. Jejich vícekanálové dopravní systémy, které jsou navrženy tak, aby zvládly řadu typů palet současně, představují sofistikované řešení, které splňuje požadavky moderních logistických operací.
Pokud hledáte partnera, který je schopen zvýšit vaši logistickou efektivitu a poskytovat na míru škálovatelné řešení, paletové dopravní systémy společnosti Wuxi Huiqian jsou více než jen produkt-jsou investicí do dlouhodobého provozního úspěchu vaší firmy.
Přináší řemeslné zpracování do budoucnosti.
Č. 60, Zhenhu North Road, Hudai Town, Binhu District , Wuxi 214100, Čína