HR-TC900
Cat:Kuželový válečkový dopravník
Šířka W (mm) 200 300 400 500 600 ...
Pokročilá struktura, vysoce kvalitní výkon, snadno použitelná, vysoká spolehlivost a trvanlivost.

Šířka W (mm) 200 300 400 500 600 ...
| Šířka W (mm) | 200 | 300 | 400 | 500 | 600 | |
| A (φ) | Průměr | 45.0 | 45.0 | 45.0 | 45.0 | 45.0 |
| Tloušťka | 3.2 | 3.2 | 3.2 | 3.2 | 3.2 | |
| B (φ) | Průměr | 54.9 | 59.9 | 64.9 | 69.8 | 74.8 |
| Tloušťka | 2.2 | 2.2 | 2.1 | 2.1 | 2.0 | |

Šířka W (mm) 200 300 400 500 600 ...
| Šířka W (mm) | 200 | 300 | 400 | 500 | 600 | |
| A (φ) | Průměr | 48.0 | 48.0 | 48.0 | 48.0 | 48.0 |
| Tloušťka | 3.1 | 3.1 | 3.1 | 3.1 | 3.1 | |
| B (φ) | Průměr | 56.8 | 61.2 | 65.7 | 70.1 | 74.5 |
| Tloušťka | 2.3 | 2.3 | 2.2 | 2.2 | 2.1 | |

Šířka W (mm) 400 500 600 700 800 ...
| Šířka W (mm) | 400 | 500 | 600 | 700 | 800 | |
| A (φ) | Průměr | 50.0 | 50.0 | 50.0 | 50.0 | 50.0 |
| Tloušťka | 3.0 | 3.0 | 3.0 | 3.0 | 3.0 | |
| B (φ) | Průměr | 63.0 | 66.3 | 69.5 | 72.8 | 76.0 |
| Tloušťka | 2.3 | 2.2 | 2.2 | 2.1 | 2.0 | |

Šířka W (mm) 300 400 500 600 700 ...
| Šířka W (mm) | 300 | 400 | 500 | 600 | 700 | 800 | |
| A (φ) | Průměr | 42 | 42 | 42 | 42 | 42 | 42 |
| Tloušťka | 2 | 2 | 2 | 2 | 2 | 2 | |
| B (φ) | Průměr | 79 | 91 | 103 | 116 | 128 | 140 |
| Tloušťka | 20.5 | 26.5 | 32.5 | 39.0 | 45.0 | 51.0 | |

Šířka W (mm) 200 300 400 500 600 ...
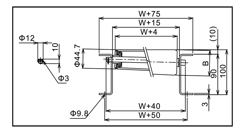
| Šířka W (mm) | 200 | 300 | 400 | 500 | 600 | 700 | |
| A (φ) | Průměr | 44.7 | 44.7 | 44.7 | 44.7 | 44.7 | 44.7 |
| Tloušťka | 3.5 | 3.5 | 3.5 | 3.5 | 3.5 | 3.5 | |
| B (φ) | Průměr | 54.6 | 59.6 | 64.5 | 69.5 | 74.4 | 75 |
| Tloušťka | 2.4 | 2.3 | 2.3 | 2.2 | 2.2 | 2.2 | |

Typ Óznačit Tuhost Ódolnost proti teplu Ódolnost ...
| Typ | Óznačit | Tuhost | Ódolnost proti teplu | Ódolnost vůči chladu | Ódolnost oleje | Nosit odpor | |||
| Přírodní guma | Nr | Asi 60 | 120C | -50 ° ℃ | X | Ó | |||
| Ding Nitril Rubber | Nbr | Asi 60 | 130c ° | -10 ° C. | O | O | |||
| Polyuretanová guma | Pu | Asi 90 | 80 ° | -30 ° C. | O | O | |||
| Přírodní guma | Ding Nitril Rubber | Váleček | Průměr*Tloušťka*Průměr osy | Šířka válce | |||||
| RR-4812P | RRG-4812P | R-3812P | 48*5*12 | 100 ~ 1500 | |||||
| RR-4816 | RRG-4816 | R-3816 | 48*5*12 | 100 ~ 1500 | |||||
| RR-6721P | RRG-6721P | R-5721p | 67*5*12 | 100 ~ 1500 | |||||

Typy pokovování Výhody Tloušťka pokovování Elektrické g...
| Typy pokovování | Výhody | Tloušťka pokovování |
| Elektrické galvanizované | Bílý zinek, modrý bílý zink, trivalentní chrom | Více než 5 mikronů |
| Tvrdé chromové pokovování | Vysoká tvrdost | Více než 3 Microns |

Typ Diferenciace Délka JP-A Typ světla ...
| Typ | Diferenciace | Délka | |
| JP-A | Typ světla | Standardní typ | 500 ~ 1000 |
| JP-B | Střední typ | Typ jara | 500 ~ 1000 |
| JP-C | Těžký typ | Typ válce | 600 ~ 1000 |

Vhodné pro přEdávání písku, detritu, rudy a zboží ve velkém. Standardní typ je 20 ° a 30 °, 45 ° a 60 ° lz...
Vhodné pro přEdávání písku, detritu, rudy a zboží ve velkém.
Standardní typ je 20 ° a 30 °, 45 ° a 60 ° lze provést jako váš požadavek.
Povrch je pokryt gumou, polyethylenem a nerezovou ocelí.
Úhel 20 °
| Model | Šířka pásu | d | C | m | A | H1 | H2 | H3 | L | B | n | Ó | t | axb |
| HKC-320-400 | 400 | 89.1 | 145 | 640 | 690 | 125 | 170 | 220 | 465 | 190 | 140 | 14.5 | 6 | 15x25 |
| HKC-320-450 | 450 | 89.1 | 165 | 690 | 740 | 125 | 170 | 230 | 520 | 190 | 140 | 14.5 | 6 | 15x25 |
| HKC-320-500 | 500 | 89.1 | 180 | 740 | 790 | 125 | 170 | 235 | 565 | 190 | 140 | 14.5 | 6 | 15x25 |
| HKC-320-600 | 600 | 89.1 | 210 | 840 | 890 | 140 | 185 | 260 | 650 | 200 | 150 | 14.5 | 6 | 15x25 |
| HKC-320-750 | 750 | 114.3 | 265 | 1040 | 1090 | 150 | 207 | 300 | 800 | 210 | 160 | 14.5 | 6 | 15x25 |
| HKC-320-900 | 900 | 114.3 | 315 | 1190 | 1240 | 150 | 207 | 320 | 945 | 210 | 160 | 14.5 | 6 | 15x25 |
| HKC-320-1050 | 1050 | 139.8 | 370 | 1340 | 1390 | 180 | 250 | 380 | 1085 | 230 | 180 | 19 | 9 | 15x25 |
| HKC-320-1200 | 1200 | 139.8 | 420 | 1490 | 1540 | 180 | 250 | 395 | 1240 | 230 | 180 | 19 | 9 | 15x25 |
| HKC-320-1400 | 1400 | 165.2 | 500 | 1730 | 1795 | 250 | 333 | 507 | 1475 | 340 | 280 | 23 | 9 | 18x30 |
| HKC-320-1600 | 1600 | 165.2 | 580 | 1930 | 1995 | 250 | 333 | 535 | 1705 | 340 | 280 | 23 | 9 | 18x30 |
Úhel 30 °
| Model | Šířka pásu | d | e | m | A | H1 | H2 | H3 | L | B | n | Ó | t | axb |
| HKC-330-400 | 400 | 89.1 | 145 | 640 | 690 | 125 | 170 | 250 | 435 | 190 | 140 | 14.5 | 6 | 15x25 |
| HKC-330-450 | 450 | 89.1 | 165 | 690 | 740 | 125 | 170 | 260 | 490 | 190 | 140 | 14.5 | 6 | 15x25 |
| HKC-330-500 | 500 | 89.1 | 180 | 740 | 790 | 125 | 170 | 265 | 530 | 190 | 140 | 14.5 | 6 | 15x25 |
| HKC-330-600 | 600 | 89.1 | 210 | 840 | 890 | 140 | 185 | 295 | 630 | 200 | 150 | 14.5 | 6 | 15x25 |
| HKC-330-750 | 750 | 114.3 | 265 | 1040 | 1090 | 150 | 207 | 345 | 750 | 210 | 160 | 14.5 | 6 | 15x25 |
| HKC-330-900 | 900 | 114.3 | 315 | 1190 | 1240 | 150 | 207 | 370 | 890 | 210 | 160 | 14.5 | 6 | 15x25 |
| HKC-330-1050 | 1050 | 139.8 | 370 | 1340 | 1390 | 180 | 250 | 435 | 1025 | 230 | 180 | 19 | 9 | 15x25 |
| HKC-330-1200 | 1200 | 139.8 | 420 | 1490 | 1540 | 180 | 250 | 460 | 1160 | 230 | 180 | 19 | 9 | 15x25 |
| HKC-330-1400 | 1400 | 165.2 | 500 | 1730 | 1795 | 250 | 333 | 589 | 1416 | 340 | 280 | 23 | 9 | 18x30 |
| HKC-330-1600 | 1600 | 165.2 | 580 | 1930 | 1995 | 250 | 333 | 629 | 1636 | 340 | 280 | 23 | 9 | 18x30 |

Rubber může zabránit poškození, když na pás padnou písek, kámen, cement a podobné zboží. Úhel 20 ° ...
Rubber může zabránit poškození, když na pás padnou písek, kámen, cement a podobné zboží.
Úhel 20 °
| Model | Šířka pásu | d | 2 | m | A | H1 | H2 | H3 | L | B | n | Ó | t | axb |
| HIC-320-400 | 400 | 100 | 145 | 640 | 690 | 125 | 175 | 224 | 461 | 190 | 140 | 14.5 | 6 | 15x25 |
| HIC-320-450 | 450 | 100 | 165 | 690 | 740 | 125 | 175 | 235 | 516 | 190 | 140 | 14.5 | 6 | 15x25 |
| HIC-320-500 | 500 | 100 | 180 | 740 | 790 | 125 | 175 | 239 | 560 | 190 | 140 | 145 | 6 | 15x25 |
| HIC-320-600 | 600 | 100 | 210 | 840 | 890 | 140 | 190 | 264 | 646 | 200 | 150 | 14.5 | 6 | 15x25 |
| HIC-320-750 | 750 | 115 | 265 | 1040 | 1090 | 150 | 208 | 300 | 800 | 210 | 160 | 14.5 | 6 | 15x25 |
| HIC-320-900 | 900 | 115 | 315 | 1190 | 1240 | 150 | 208 | 320 | 945 | 210 | 160 | 14.5 | 6 | 15x25 |
| HIC-320-1050 | 1050 | 140 | 370 | 1340 | 1390 | 180 | 250 | 380 | 1085 | 230 | 180 | 19 | 9 | 15x25 |
| HIC-320-1200 | 1200 | 140 | 420 | 1490 | 1540 | 180 | 250 | 395 | 1240 | 230 | 180 | 19 | 9 | 15x25 |
| HIC-320-1400 | 1400 | 165 | 500 | 1730 | 1795 | 250 | 333 | 507 | 1475 | 340 | 280 | 23 | 9 | 18x30 |
| HIC-320-1600 | 1600 | 165 | 580 | 1930 | 1995 | 250 | 333 | 535 | 1705 | 340 | 280 | 23 | 9 | 18x30 |
Úhel 30 °
| Model | Šířka pásu | d | 2 | m | A | H1 | H2 | H3 | L | B | n | Ó | t | axb |
| HIC-330-400 | 400 | 100 | 145 | 640 | 690 | 125 | 175 | 254 | 430 | 190 | 140 | 14.5 | 6 | 15x25 |
| HIC-330-450 | 450 | 100 | 165 | 690 | 740 | 125 | 175 | 265 | 486 | 190 | 140 | 14.5 | 6 | 15x25 |
| HIC-330-500 | 500 | 100 | 180 | 740 | 790 | 125 | 175 | 270 | 526 | 190 | 140 | 145 | 6 | 15x25 |
| HIC-330-600 | 600 | 100 | 210 | 840 | 890 | 140 | 190 | 300 | 626 | 200 | 150 | 14.5 | 6 | 15x25 |
| HIC-330-750 | 750 | 115 | 265 | 1040 | 1090 | 150 | 208 | 345 | 750 | 210 | 160 | 14.5 | 6 | 15x25 |
| HIC-330-900 | 900 | 115 | 315 | 1190 | 1240 | 150 | 208 | 370 | 890 | 210 | 160 | 14.5 | 6 | 15x25 |
| HIC-330-1050 | 1050 | 140 | 370 | 1340 | 1390 | 180 | 250 | 435 | 1025 | 230 | 180 | 19 | 9 | 15x25 |
| HIC-330-1200 | 1200 | 140 | 420 | 1490 | 1540 | 180 | 250 | 460 | 1160 | 230 | 180 | 19 | 9 | 15x25 |
| HIC-330-1400 | 1400 | 165 | 500 | 1730 | 1795 | 250 | 333 | 589 | 1416 | 340 | 280 | 23 | 9 | 18x30 |
| HIC-330-1600 | 1600 | 165 | 580 | 1930 | 1995 | 250 | 333 | 629 | 1636 | 340 | 280 | 23 | 9 | 18x30 |

Pro odolávání oděru se používá podpěrná válce pásu, zpětného válce s spirálem nebo pásovou sítko. Nalepení...
Pro odolávání oděru se používá podpěrná válce pásu, zpětného válce s spirálem nebo pásovou sítko.
Nalepením prachu, který může změnit vnější poloměr a bloudit z pásu.
| Model | Šířka pásu | d | 0 | m | A | H | B | n | Ó | axb |
| HKR-400 | 400 | 89.1 | 460 | 640 | 690 | 110 | 120 | 60 | 14.5 | 15x25 |
| HKR-450 | 450 | 89.1 | 510 | 690 | 740 | 110 | 120 | 60 | 14.5 | 15x25 |
| HKR-500 | 500 | 89.1 | 560 | 740 | 790 | 110 | 120 | 60 | 145 | 15x25 |
| HKR-600 | 600 | 89.1 | 660 | 840 | 890 | 110 | 120 | 60 | 14.5 | 15x25 |
| HKR-750 | 750 | 114.3 | 850 | 1040 | 1090 | 110 | 120 | 60 | 14.5 | 15x25 |
| HKR-900 | 900 | 114.3 | 1000 | 1190 | 1240 | 110 | 120 | 60 | 14.5 | 15x25 |
| HKR-1050 | 1050 | 139.8 | 1150 | 1340 | 1390 | 130 | 150 | 100 | 19 | 15x25 |
| HKR-1200 | 1200 | 139.8 | 1300 | 1490 | 1540 | 130 | 150 | 100 | 19 | 15x25 |
| HKR-1400 | 1400 | 165.2 | 1530 | 1730 | 1790 | 160 | 180 | 120 | 23 | 18x30 |
| HKR-1600 | 1600 | 165.2 | 1730 | 1930 | 1990 | 160 | 180 | 120 | 23 | 18x30 |

PodpořtE se vrácení válce pásu pro dva koryta. Model Šířka pásu d ...
PodpořtE se vrácení válce pásu pro dva koryta.
| Model | Šířka pásu | d | e | m | A | H | B | n | axb |
| HKR-2-400 | 400 | 89.1 | 460 | 640 | 690 | 110 | 110 | 60 | 15x25 |
| HKR-2-450 | 450 | 89.1 | 510 | 690 | 740 | 110 | 110 | 60 | 15x25 |
| HKR-2-500 | 500 | 89.1 | 560 | 740 | 790 | 110 | 110 | 60 | 15x25 |
| HKR-2-600 | 600 | 89.1 | 660 | 840 | 890 | 110 | 110 | 60 | 15x25 |
| HKR-2-750 | 750 | 114.3 | 850 | 1040 | 1090 | 110 | 110 | 60 | 15x25 |
| HKR-2-900 | 900 | 114.3 | 1000 | 1190 | 1240 | 110 | 110 | 60 | 15x25 |
Proč údržba válečkových dopravníků přímo ovlivňuje životnost systému Válečkový dopravník systémy jsou pát...
Přečtěte si víceCo dělá válečkový dopravník skutečně těžkým? Těžký válečkový dopravník není definován marketingovými tvrzeními, al...
Přečtěte si víceCo jsou válečkové dopravníky a proč na typu záleží? Válečkové dopravníky jsou systémy pro manipulaci s ma...
Přečtěte si víceProč válečkové dopravníky zůstávají páteří manipulace s materiálem Válečkové dopravníky zlepšit efektivit...
Přečtěte si víceDopravníkové systémy přesouvat miliony tun materiálu každý den přes továrny, sklady, těžební místa a distribučn...
Přečtěte si víceDělá Wuxi Huiqian Logistics Machinery Manufacturing Co., Ltd. Palivový dopravník Podporujte více kanálů pro zpracování různých typů palet současně?
V rychle se rozvíjejícím světě logistiky a manipulace s materiálem jsou efektivita a přizpůsobivost prvořadá. Podniky vyžadují systémy, které nejen vyhovují jejich okamžitým potřebám, ale také nabízejí škálovatelnost, spolehlivost a flexibilitu při řešení různých typů zboží a provozních požadavků. Jedním takovým řešením je Wuxi Huiqian Logistics Machinery Manufacturing Co., inovativní paletové dopravní systémy Ltd., navržené tak, aby zefektivnily pohyb materiálu napříč různými průmyslovými odvětvími. Otázkou však však zůstává: Mohou jejich paletové dopravníky podporovat více kanálů pro zpracování různých typů palet současně?
Všestrannost v designu: jádro efektivní logistiky
Srdcem produktové řady Wuxi Huiqian je jejich pokročilá Palivový dopravník System, pečlivě vytvořené řešení, které stojí jako svědectví o závazku společnosti smíchat japonskou technologii s špičkovými výrobními technikami. Tyto systémy jsou vytvořeny tak, aby nabízely bezkonkurenční přizpůsobivost ve vysoce poptádových prostředích. Ať už se jedná o těžkopádnou aplikaci nebo jemnější, lehčí nastavení, systém může být přizpůsoben pro zpracování palet různých velikostí, hmotností a typů.
Skutečná síla Wuxi Huiqian's linka dopravníku Systémy spočívají v jejich schopnosti pracovat s více kanály, což zajišťuje, že různé typy palet lze spravovat souběžně. Tato vícekanálová funkce je nezbytná pro sklady, výrobní zařízení a distribuční centra, kde operace často vyžadují současnou přepravu různých typů palet. Ať už se jedná o velké, objemné předměty nebo menší, křehčí zboží, dopravní systémy mohou být přizpůsobeny tak, aby splňovaly tyto jedinečné požadavky s výjimečnou účinností.
Přizpůsobení splňuje přesnost
Wuxi Huiqian je hrdý na to, že nabízí vysoce přizpůsobitelná dopravní řešení. Jejich zaměření na modulární design zajišťuje, že jejich systémy mohou být nakonfigurovány tak, aby vyhovovaly specifickým provozním potřebám, včetně současného zacházení s různými typy palet v různých jízdních pruzích. To je obzvláště výhodné v průmyslových odvětvích, jako je výroba automobilů, elektronika a distribuce potravin, kde změny v rozměrech palety a typech produktů mohou vytvářet složité logistické výzvy.
Kromě toho je závazek společnosti Wuxi Huiqian k kvalitě podtržen tím, že používají nejmodernější zařízení pro zpracování a přísné systémy řízení kvality. Každá složka, od válců po rámy, je vytvořena podle nejvyšších standardů, což zajišťuje nejen funkčnost, ale i dlouhodobou trvanlivost. Po integraci do vašich operací poskytují dopravní systémy plynulý tok materiálů, eliminují úzká místa a zlepšují účinnost propustnosti.
Pokročilá technologie pro řešení připravená na budoucnost
Jako vůdce v oblasti výroby logistických strojů se Wuxi Huiqian neustále inovuje a zajišťuje, aby jejich dopravní systémy byly dnes nejen spolehlivé, ale jsou připraveny se přizpůsobit požadavkům zítřejších dodavatelských řetězců. Použití pokročilých technologií, jako je automatizace a sledování v reálném čase, dále zvyšuje výkon jejich paletových dopravníků, což podnikům umožňuje sledovat a kontrolovat jejich materiální tok s přesností.
Pro společnosti, které hledají své operace, nabízejí řešení společnosti Wuxi Huiqian neocenitelnou výhodu. Jejich systémy lze snadno integrovat s jinými technologiemi automatizace, které nabízejí škálovatelnost a přizpůsobivost, která zajišťuje pokračující efektivitu, i když se vyvíjejí logistické požadavky.
Poprodejní podpora a přístup zaměřený na zákazníka
Klíčovým rozlišením pro Wuxi Huiqian je jejich odhodlání spokojenosti zákazníků. Kromě poskytování vysoce kvalitních produktů kladou významný důraz na službu po prodeji a poskytuje technickou podporu a odborné pokyny během životního cyklu svých systémů. Tento závazek zajišťuje, že každý zákazník obdrží plnou hodnotu ze své investice, s na míru na míru a trvalou podporu, aby zvládl i ty nejsložitější logistické požadavky.
Holistické řešení pro moderní logistiku
Závěrem lze říci, že společnost Wuxi Huiqian Logistics Machinery Manufacturing Co., Ltd. vyniká jako důvěryhodný partner v oblasti manipulace s materiálem, zejména pro průmyslová odvětví vyžadující pokročilé, přizpůsobitelné a efektivní paletové dopravní systémy. Jejich vícekanálové dopravní systémy, které jsou navrženy tak, aby zvládly řadu typů palet současně, představují sofistikované řešení, které splňuje požadavky moderních logistických operací.
Pokud hledáte partnera, který je schopen zvýšit vaši logistickou efektivitu a poskytovat na míru škálovatelné řešení, paletové dopravní systémy společnosti Wuxi Huiqian jsou více než jen produkt-jsou investicí do dlouhodobého provozního úspěchu vaší firmy.
Přináší řemeslné zpracování do budoucnosti.
Č. 60, Zhenhu North Road, Hudai Town, Binhu District , Wuxi 214100, Čína