W-40RW
Cat:Gumový dopravník
Typ D*w*d*b Hřídel Velikost rámu H*W1*W2*W3*t ...
Dopravník kol, známý také jako válečková vodicí kolejnice nebo válečkové posuvné, je vysoce účinný nástroj používaný pro manipulaci s materiálem a výrobní linky automatizace. Obvykle se skládá z válečků a držáků. Tyto válce podporují a vede zatížení pro hladký pohyb ve specifikovaném směru.

Typ D*w*d*b Hřídel Velikost rámu H*W1*W2*W3*t ...
| Typ | D*w*d*b | Hřídel | Velikost rámu H*W1*W2*W3*t | Výška H | Délka L | Stritch kol P | Načítání jednoho kola (KG) | Typ rámu | Pryž |
| W-40RW | 40x9x8.2x14 | M8X55L | 46.3x60x33x71x2.3 | 54.3 | 1800 · 2400 · 3000 | 50 · 75 · 100 · 150 | 20 | K | NBR |

Typ D*w*d*b Hřídel Velikost rámu H*W1*W2*W3*t ...
| Typ | D*w*d*b | Hřídel | Velikost rámu H*W1*W2*W3*t | Výška H | Délka L | Stritch kol P | Načítání jednoho kola (KG) | Typ rámu | Pryž |
| W-40RWW | 40x9x8.2x14 | M8X45L | 40x108x40x50,5x3 | 47 | 1000 · 2000 · 3000 | 30 · 40 · 50 · 75 | 20 | M | NBR |

Typ D*w*d*b Hřídel Velikost rámu H*W1*W2*W3*t ...
| Typ | D*w*d*b | Hřídel | Velikost rámu H*W1*W2*W3*t | Výška H | Délka L | Stritch kol P | Načítání jednoho kola (KG) | Typ rámu | Pryž |
| W-45RS | 45x12x6.4x25 | M6X38L | 45x29,6x10x42x2.3 | 55.5 | 1800 · 2400 · 3000 | 50 · 75 · 100 · 150 | 10 | A | NBR |

Typ D*w*d*b Hřídel Velikost rámu H*W1*W2*W3*t ...
| Typ | D*w*d*b | Hřídel | Velikost rámu H*W1*W2*W3*t | Výška H | Délka L | Stritch kol P | Načítání jednoho kola (KG) | Typ rámu | Pryž |
| W-3825PU | 38x25x8.2x28 | M8X48L | 35x34,4x13x50,3x3.2 | 43 | 1800 · 2400 · 3000 | 50 · 75 · 100 · 150 | 50 | A | PU |

Typ D*w*d*b Hřídel Velikost rámu H*W1*W2*W3*t ...
| Typ | D*w*d*b | Hřídel | Velikost rámu H*W1*W2*W3*t | Výška H | Délka L | Stritch kol P | Načítání jednoho kola (KG) | Typ rámu | Pryž |
| W-40pu | 40x9x6.2x25 | M6X38L | 45x29,6x10x42x2.3 | 53 | 1800 · 2400 · 3000 | 50 · 75 · 100 · 150 | 30 | A | PU |

Typ D*w*d*b Hřídel Velikost rámu H*W1*W2*W3*t ...
| Typ | D*w*d*b | Hřídel | Velikost rámu H*W1*W2*W3*t | Výška H | Délka L | Stritch kol P | Načítání jednoho kola (KG) | Typ rámu | Pryž |
| W-40rus | 40x9x8.2x28 | M8X40L | 42,3x60x32.6x45x2.3 | 49.3 | 1800 · 2400 · 3000 | 50 · 75 · 100 · 150 | 30 | J | PU |

Typ D*w*d*b Hřídel Velikost rámu H*W1*W2*W3*t ...
| Typ | D*w*d*b | Hřídel | Velikost rámu H*W1*W2*W3*t | Výška H | Délka L | Stritch kol P | Načítání jednoho kola (KG) | Typ rámu | Pryž |
| W-40RUW | 40x9x8.2x14 | M8X55L | 46,3x60x33x71 × 23 | 54.3 | 1800 · 2400 · 3000 | 50 · 75 · 100 · 150 | 30 | K | PU |

Typ D*w*d*b Hřídel Velikost rámu H*W1*W2*W3*t ...
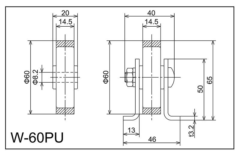
| Typ | D*w*d*b | Hřídel | Velikost rámu H*W1*W2*W3*t | Výška H | Délka L | Stritch kol P | Načítání jednoho kola (KG) | Typ rámu | Pryž |
| W-60pu | 60x14,5x8.2x20 | M8X35L | 50x46x13x40x3.2 | 65 | 1800 · 2400 · 3000 | 75 · 100 · 150 · 200 | 50 | C | PU |

Typ D*w*d*b Hřídel Velikost rámu H*W1*W2*W3*t ...
| Typ | D*w*d*b | Hřídel | Velikost rámu H*W1*W2*W3*t | Výška H | Délka L | Stritch kol P | Načítání jednoho kola (KG) | Typ rámu | Roller Mateř |
| W-1542NPS | 15 × 42,5 × 3,5 | 3,5 × 56L | 25 × 60 × 1,0 | 30 | 1000 · 2000 · 3000 | 16 | 20 | Elektro galvanizováno | PE White Abs Yellow |

Typ D*w*d*b Hřídel Velikost rámu H*W1*W2*W3*t ...
| Typ | D*w*d*b | Hřídel | Velikost rámu H*W1*W2*W3*t | Výška H | Délka L | Stritch kol P | Načítání jednoho kola (KG) | Typ rámu | Roller Mateř |
| W-1855NPS | 18 × 55 × 5 | 5 × 68L | 42 × 72 × 0,8 (1,0) | 42 | 1000 · 2000 · 3000 | 20 | 10 | Elektro galvanizováno | ABS PE |

Typ D*w*d*b Hřídel Velikost rámu H*W1*W2*W3*t ...
| Typ | D*w*d*b | Hřídel | Velikost rámu H*W1*W2*W3*t | Výška H | Délka L | Stritch kol P | Načítání jednoho kola (KG) | Typ rámu | Roller Mateř |
| W-2818NPS | 28 × 18 × 3 | 3 × 42L | 25 × 35 × 0,8 | 35 | 1000 · 2000 · 3000 | 33 | 10 | Elektro galvanizováno | ABS |

Typ D*w*d*b Hřídel Velikost rámu H*W1*W2*W3*t ...
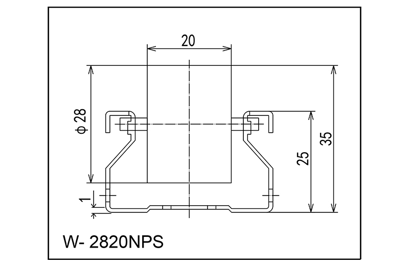
| Typ | D*w*d*b | Hřídel | Velikost rámu H*W1*W2*W3*t | Výška H | Délka L | Stritch kol P | Načítání jednoho kola (KG) | Typ rámu | Roller Mateř |
| W-2820NPS | 28 × 20 × 3 | 3 × 33L | 25 × 35 × 0,8 (1,0) | 35 | 1000 · 2000 · 3000 | 33, 49,5 · 66 | 10 | Elektro galvanizováno | ABS PE |
Proč údržba válečkových dopravníků přímo ovlivňuje životnost systému Válečkový dopravník systémy jsou pát...
Přečtěte si víceCo dělá válečkový dopravník skutečně těžkým? Těžký válečkový dopravník není definován marketingovými tvrzeními, al...
Přečtěte si víceCo jsou válečkové dopravníky a proč na typu záleží? Válečkové dopravníky jsou systémy pro manipulaci s ma...
Přečtěte si víceProč válečkové dopravníky zůstávají páteří manipulace s materiálem Válečkové dopravníky zlepšit efektivit...
Přečtěte si víceDopravníkové systémy přesouvat miliony tun materiálu každý den přes továrny, sklady, těžební místa a distribučn...
Přečtěte si víceTipy pro údržbu a péči pro dopravník kol
Během dlouhodobého provozu mohou dopravníky akumulovat prach, olej a další zbytky, které nejen zvýší tření, ale také způsobí opotřebení válců a stop. Denní čištění by proto mělo zahrnovat použití tlaku vzduchu nebo speciálních nástrojů k odstranění zbytků z povrchu válce, aby se zajistil hladký kontakt mezi válečkem a tratí. Zejména při jednání s výrobními linkami s lepkavými materiály nebo v prašném prostředí by se měla zvýšit frekvence čištění. Kromě toho je důležitým krokem při prevenci selhání navíc pravidelná kontrola stavu válců a válců, aby se zajistilo, že nejsou deformovány nebo poškozeny.
Během provozu budou válečky a držáky generovat tření. Dlouhodobý nedostatek správného mazání způsobí nadměrné opotřebení a dokonce zaseknutí částí. Výběr správného maziva a pravidelného mazání podle frekvence použití může účinně snížit opotřebení mechanických částí a udržovat zařízení hladce. Obecně by mazání válců a ložisek mělo být kontrolováno každé tři měsíce, aby se zajistilo, že každá rotující část bude plně namazána. Kromě toho může správné mazání nejen snížit opotřebení, ale také snížit hluk během provozu zařízení, čímž se vytvoří tišší pracovní prostředí.
Často zkontrolujte zatížení dopravníku, abyste se ujistili, že pracuje v rozsahu jmenovitého zatížení. Přetížení může způsobit poškození nebo deformaci válců nebo dokonce způsobit vážnější selhání. Proto je nutné pravidelně kontrolovat každý přenosový systém, aby se zajistilo, že je v normálním pracovním stavu, není uvolněný a nevytváří neobvyklý šum. Pro předávání systémů, které často nesou těžké předměty, je velmi důležité pravidelně kontrolovat a vyměňovat klíčové komponenty, jako jsou přenosové řetězce, válečky a pásy.
Ve společnosti Wuxi Huiqian Logistics Machinery Manufacturing Co., Ltd., chápeme význam vysoce kvalitního vybavení při udržování účinných a spolehlivých operací. Naše společnost, která byla založena integrací pokročilých japonských technologií a odborných znalostí, se specializuje na výrobu a prodej válců, válečných dopravníků, pásových dopravníků, úložných klecí, logistických vozíků, mini dopravníků, rámů a polic. Nachází se v okrese Wuxi National Hi-Tech Technology Development Development Development a je vybaveno robustním systémem řízení kvality, kvalifikovanou pracovní síly a nejmodernějším zpracovatelským zařízením.
Náš dopravník kol , zejména, jsou navrženy s pokročilými technologiemi a vyrábějí se pomocí vysoce kvalitních surovin pod přísnou kontrolou kvality. Tyto dopravníky fungují nejen výjimečně dobře v nákladní kapacitě, ale také optimalizují kontakt mezi válci a stopami, což zajišťuje stabilitu materiálu během procesu předávání a zároveň snižuje opotřebení spotřeby energie. Prostřednictvím promyšleného návrhu produktu a přesného řízení procesů udržují naše dopravníky dlouhodobý stabilní provoz i v drsném pracovním prostředí, minimalizují frekvenci údržby a snižují provozní náklady pro podniky.
Skryté aplikace dopravník kol v každodenním životě
Mnoho lidí si nemusí uvědomit, že pokaždé, když nakupují, je zboží přepravováno ze skladů do polic nebo dokonce přímo do pokladny, které nelze oddělit od podpory dopravních systémů. V supermarketech, nákupních centrech a distribučních centrech je velké množství dopravníků kol tiše provozováno a pomáhá personálu efektivně přepravovat zboží na určená místa prostřednictvím rolovacích tratí. Tyto dopravníky kol nejen významně zlepšují provozní účinnost, ale také snižují intenzitu práce s manuální manipulací, minimalizují potenciální chyby a ztráty. Jejich design zároveň zdůrazňuje stabilitu a trvanlivost, což jim umožňuje efektivně pracovat v rušném pracovním prostředí, aby se zajistilo, že zboží je včas odloženo a cirkulováno.
Podobné aplikace lze také nalézt ve výrobě, skladování a třídicích centrech. Zejména v moderních logistických systémech jsou dopravníky kol nepostradatelnou součástí. Zajišťují hladké logistické procesy přenášením a vedením velkého množství pozemků, částí a zboží. V těchto polích zpracovávají dopravníky kol různá zatížení, od malých pozemků až po těžké zboží, které lze hladce přepravovat přes přesně inženýrské válcové systémy. Zejména během špičkových prázdnin nebo propagačních období se sklady a logistické centra silně spoléhají na dopravníky kol. Jejich efektivní kapacita průtoku zboží účinně zabraňuje zpoždění dopravy.
Ve společnosti Wuxi Huiqian Logistics Machinery Manufacturing Co., Ltd., jsme hrdí na to, že můžeme přispívat k těmto zásadním logistickým operacím. Naše společnost, která byla založena integrací pokročilých japonských technologií a odborných znalostí, se specializuje na výrobu a prodej vysoce kvalitních válců, válečných dopravníků, dopravníků na pásy, úložné klece, logistické vozíky, mini dopravníky, rámy a police. Naše zařízení se sídlem v okrese Wuxi National Hi-Tech Technology Development je vybaveno robustním systémem řízení kvality, kvalifikovaným pracovníkem a pokročilým zpracovatelským zařízením, což zajišťuje, že každý produkt splňuje nejvyšší standardy kvality a výkonu.
Zejména naše dopravníky kol předvádějí velké výhody v těchto denních aplikačních scénářích. Vyráběné pomocí pokročilých technologií a prémiových válcových materiálů dokážou zpracovávat materiály různých hmotností a tvarů a zároveň provozovat stabilně ve složitých prostředích. Ať už se jedná o komerční maloobchodní prostředí, které vyžaduje vysokofrekvenční operace nebo pole skladů a logistiky, které vyžadují rychlost a přesnost, naše dopravníky kol poskytují efektivní, hladká a spolehlivá přepravní řešení materiálu. Prostřednictvím inovativního designu a přísné kontroly kvality naše výrobky podporují podniky při dosahování plynulých logistických operací, snižování nákladů a zvyšování produktivity.
Přináší řemeslné zpracování do budoucnosti.
Č. 60, Zhenhu North Road, Hudai Town, Binhu District , Wuxi 214100, Čína